Модель: 9030368
| Виробник | Vilpe (Фінляндія) |
| Країна виробник | Фінляндія |
| Сфера використання | для пласкоі покрівлі; для ПВХ мембрани |
| Категорія | прохідний елемент; ПВХ ущільнювач |
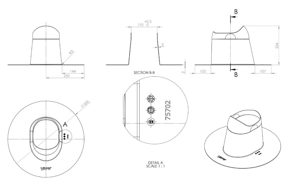
| Розмір, мм | 502 х 703 мм, висота вороту 254мм |
| Мінімальний ухил покрівлі, ° | 3 ° |
Технічні креслення ПВХ воріт COLLAR PVC для HUOPA високої:

PVC COLLAR воріт із ПВХ-матеріалу для монтажу HUOPA прохідного елемента високого на покрівлях із ПВХ–матеріалів.
Розміри: 502 х 703 мм, висота воріт 254 мм.
Комплект: PVC COLLAR воріт.
Встановлюється при монтажі та на готову покрівлю.